PR/TSO
Probing Target / Straight-On

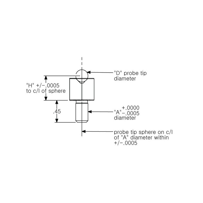
Designed to hold a CMM Probe tip on centerline of a hole and critical offset.

Description

PR/TSO Feature:

1144 Steel, Black Oxide Finish (Standard)

Additional information

Weight 0.1 lbs
Dimensions 1.0 × 1.0 × 1.0 in

PR/TSO Feature:

1144 Steel, Black Oxide Finish (Standard)

  • Part Number
  • Hubbs Part Builder
    Product Certification

    Certified precision documentation provides certified, serialized, and NIST traceable critical dimensions.

$85.00

Learn More About Product Certification
Click Here

Benefits of Certification

Affirms product has passed specific performance and quality assurance test

Verifies that in use product are still within specification

Provides traceability

Reduces In-house certification cost and time

You may also be interested in: