PR/FM
Probing Target / Flush Mount

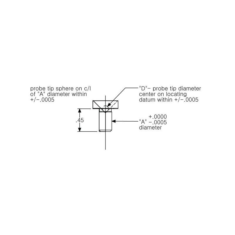
Designed to hold a CMM Probe tip on centerline of a hole and zero offset.

Description

PR/FM Feature:

1144 Steel, Black Oxide Finish (Standard)

 

Note:

Some probe tips and small shank diameters combinations have limitations.

Additional information

Weight 0.1 lbs
Dimensions 1.0 × 1.0 × 1.0 in

PR/FM Feature:

1144 Steel, Black Oxide Finish (Standard)

 

Note:

Some probe tips and small shank diameters combinations have limitations.

  • Part Number
  • Hubbs Part Builder
    Product Certification

    Certified precision documentation provides certified, serialized, and NIST traceable critical dimensions.

$85.00

You may also be interested in: